Welcome, ShenZhen ChengQiang Photoelectric Digital Co.,LTD!

24-hour national service hotline: 0755-27865902

Product

Product
联系我们
Contacts: Chen Zhijun 13723456795, 13600400586
Chen Qiang 13622347822
Tel: 0755-27865902, 27661193, 27865113
Fax: 0755-27865183
Website: www.szchq.net/www.zgszchq.com
Email: zgszchq@163.com
Address: Chengqiang Science and Technology Park, No. 4 Private Road, Shilongzi, Shuitian, Shiyan Town, Bao'an District, Shenzhen
CHQD

CHQD

Chqd, Shenzhen infrared receiver, receiver

  • 电路图
  • 光电参数
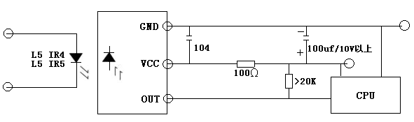
1.应用电路图:

2.原理图:

1.光电参数(T=25℃  Vcc=5v  f0=38KHZ)

参数符号测试条件MinTypMnx单位
工作电压Vcc
2.7
5.5V
接收距离LL5IR=300MA (测试信号)1025
M
载波频率f0

38
KHZ
接收角度01/2距离衰减1/2
+/-45
Deg
BMP宽度FBW-3Db Band width3.56.08.5kHz
静态电流IccIin=0μA,Vcc=3V-0.91.5mA
Iin=0μA,Vcc=5V-1.01.5 mA
低电平输出VOLVin=0V Isink=2.0mA
0.20.4V
高电平输出VOHVCC=3V 2.73.0-V
Vcc=5V4.75.0-V
输出脉 宽度TPWLVin=500μVp-p※500600700μs
TPWHVin=50mVp-p※500600 700μs

2.测试波型:

图片1.jpg
3.极限参数:

项目符号规格单位
供应电压Vcc5.5V
工作温度Topr-25-85
储存温度Tstg-40-125
焊接温度Tsol280
Contact us
Contacts: Chen Zhijun 13723456795, 13600400586
                Chen Qiang 13622347822
Tel: 0755-27865902, 27661193, 27865113
Fax: 0755-27865183
Website: www.szchq.net/www.zgszchq.com
Email: zgszchq@163.com
Address: Chengqiang Science and Technology Park, No. 4 Private Road, Shilongzi, Shuitian, Shiyan Town, Bao'an District, Shenzhen


Official QR code

Copyright © ShenZhen ChengQiang Photoelectric Digital Co.,LTD. All Rights Reserved. 粤ICP备09016101号
QQ客服 QQ客服